中央空调的制冷原理:简易来说,就是一个室内热交换,空调系统抽走室内的热风,然后送出冷风。
这里介绍下市面上最常见的几个中央空调系统分为:氟系统、水系统、风系统、水源热泵系统
● 氟系统:室内机和主机之间由铜管连接,铜管里面运行的是制冷剂,制冷剂直接在室内机蒸发吸热。

◈优点:换热效率高,速度快;基本无漏水隐患
◈缺点:初期成本高;舒适性差
◈适用地点:电梯公寓、别墅,办公楼,常用于家用空调和商用空调,因其特点,系统不可能做的很大。
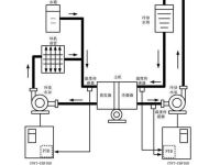
● 水系统:水冷系统一般用制冷剂将水制成 ️7摄氏度的水,然后通过管道把水供到风机盘管(也就是空调末端),之后把室内热量吸走,7摄氏度的水变为12度的水,12度的水再回到机组里进行制冷,如此循环往复。

◈优点:造价适中,舒适度高✅
◈缺点:后期维护成本较高、安装要求高、会出现漏水现象
◈适用地点:适合中大户型、大项目
● 风系统:将大气中的风直接抽进来,用风的热量与室内的热量进行转化的过程。
◈优点:能效高,造价低
◈缺点:风不可控制 ,不稳定
◈适用地点:独立住房、别墅、商场
● 水源热泵系统:利用地表水(地下水、湖水、河水)作为空调机组的制冷制热的热源。

◈优点:节能环保、操作简便、安全可靠
◈缺点:对水源要求高✅,对水层地理结构有一定要求
◈适用地点:大户型