返回
锅炉知识
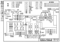
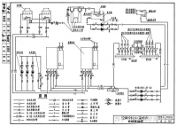
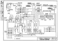
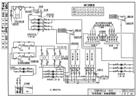
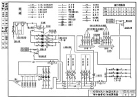
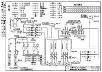
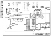
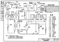
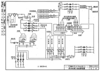
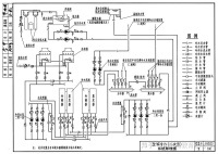
中央空调(制冷工程)系统原理大全,一定要收藏!
2023-02-28 浏览:
1
中央空调(制冷工程)系统原理大全,一定要收藏!
打赏