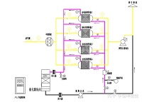
一、新型催化燃烧一体机工艺流程图如下:
预处理—吸附浓缩—解吸脱附—催化燃烧的工艺流程

首先有机废气经干式过滤器去除部分粉尘、颗粒物,然后将符合吸附条件的有机废气送入活性炭吸附箱进行吸附净化,净化后的洁净气体由主排风机排入大气中。吸附装置配有备用吸附箱1套,当活性炭吸附饱和后通过控制阀门切换至催化燃烧脱附状态;脱附再生系统采用在线脱附再生,即吸附过程为连续式处理工艺,在备用吸附装置投入使用同时,饱和吸附箱则进行脱附工作,脱附后活性炭箱预备至下次循环使用。
二、新型催化燃烧设备一体机原理:
①系统由2个活性炭吸附箱(1用1备)和1个催化燃烧床构成,将各条生产线中所排放的有机废气经收集汇总后送入净化设备,在吸附净化装置与废气进口之间安装一套干式过滤预处理装置,过滤少量的粉尘颗粒,从而避免活性炭微孔被堵塞,然后送入活性炭吸附箱进行吸附净化,当任一活性炭吸附器接近饱和时,系统将自动切换到备用活性炭吸附箱(此时饱和活性炭吸附箱停止吸附操作),然后用热气流对饱和活性炭吸附箱进行解吸脱附,将有机物从活性炭上脱附下来。在脱附过程中,有机废气已被浓缩,浓度较原来提高十几倍,达1500ppm以上,浓缩废气送到催化燃烧装置,最后被分解成CO2与H2O排出。
②完成解吸脱附后,活性炭吸附箱进入待用状态,待其他活性炭吸附箱接近饱和时,系统再自动切换回来,同时对饱和活性炭吸附箱进行解吸脱附,如此循环工作。
③催化燃烧主要利用催化剂将需要处理的废气当中的可以燃烧的物质,在一种较低温的情况下进行氧化以及分解的一种方法。在整个催化净化过程中,催化剂扮演的角色是用来降低化学反应的活化能,从而使反应条件更有利于可以控制的目的。 借助催化剂的作用可以有效地使废气在较低的温度条件下进行起燃,从而发生无焰燃烧,然后净其氧化分解为无害的二氧化碳和水,并释放出大量的热能,这样就可以达到去除废气当中的有害物质的,净化废气。

三、废气光氧净化器安装注意事项:
1.光氧净化器可以安装在室内,也可安装在室外,但应有足够的空间用来维护与维修;根据使用情况设备定期维护清洗。
2.净化器箱体应可靠接地;安装过程中不允许磕碰紫外线管,严禁异物落在净化器内。
3.净化器本体及电控箱中各电器连接应可靠无误。
4.光氧净化器安装在风机前面,净化器前端应该有预处理设备(水喷淋塔、过滤箱)过滤有机废气中的大型颗粒,以保证净化器内部洁净度和使用年限和延长维护时间。
5.左侧为进风口方向,废气的温度控制在70℃以下左右。因为温度太高会影响净化效果和设备使用寿命。
6.净化器如安装在支架之上时,应与支架紧固连接。
7.光氧净化器与排风管道之间的连接需要密封。
四、新型催化燃烧设备一体机图如下:



