-
进口温度(℃):
20
-
出口温度(℃):
170
-
适用范围:
医院,学校,纺织服装行业,大型超市,酒店宾馆,食堂餐厅,食品饮料行业,酒厂,制衣厂,制药厂,建材厂,涂料厂,饲料厂,塑料厂,橡胶,游泳馆,洗浴中心,小区居民楼取暖
-
用途:
生活锅炉,工业锅炉
-
循环方式:
自然循环
-
燃烧方式:
室燃炉
-
传热介质:
蒸汽,热水
-
出口压力:
低压
-
结构形式:
卧式
-
蒸吨(t/h):
0.2吨,0.3吨,0.5吨,0.7吨,1吨,2吨
-
加工定制:
是
-
是否现货:
是
燃烧器释放热量,先通过辐射传热被水冷壁吸收,水冷壁的水沸腾汽化,产生大量蒸汽进入汽包进行汽水分离,分离出的饱和蒸汽进入过热器,通过辐射、对流方式继续吸收炉膛顶部和水平烟道、尾部烟道的烟气热量,并使过热蒸汽达到所要求的工作温度。
优点
燃油燃气全自动蒸汽发生器优点有很多,汽化更安静,减少水的携带,蒸发面大;蒸汽更干,品质高,减少管壁的结垢;紊流火焰逆流向下形成涡流,加强了在循环混合,提高了热效率。 属国家免检产品,没有复杂的审批手续也节省了一笔审批费用。
2、燃料是属于可再生生物质燃料,其运行成本是电锅炉五分之一,是油锅炉三分之一。
3、炉膛内采用三面立体循环配风,并有二次补氧口,燃烧完全,排放没有肉眼可见的烟尘,完本达到国家关于锅炉的排放要求。
4、控制系统安全保护功能有低水位、过热、超压等多重保护,确保无安全引患
5、安全控件压力表、安全阀及压力开关都采用优质品牌,保证产品的质量和使用寿命。
6、蒸发器整机出厂。补水系统、燃烧系统、进料系统、点火系统、配风系统均集为一体,采用傻瓜式操作系统,一键操作,全自动运行。
技术优势
1.该产品属于国家免检,免除了繁杂的报批年审手续
2.此款蒸汽发生器出厂为组合式整机,安装简便,无须请专业安装队人员安装,同时也节省了大量安装材料
3.所用燃料为节能环保的生物质燃料,属于节能环保的可再生资料,来源广泛,经济实惠,其运行成本是电锅炉的六分之一,是燃油锅炉的三分之一。燃烧过程中无烟无尘,燃料完全燃烧后仅有少量粉末状灰分残余物,留存于集灰室,容易处理
4.内置式汽水分离器,解决了蒸汽带水的难题,更加保证了蒸汽的优质性
5.一步到位的全自动控制。只需要将水、电接好,按下开关键,锅炉便自动进入全自动运行状态,安全更省心。
6.具有连锁安全保护功能,保证产品质量及顾客利益
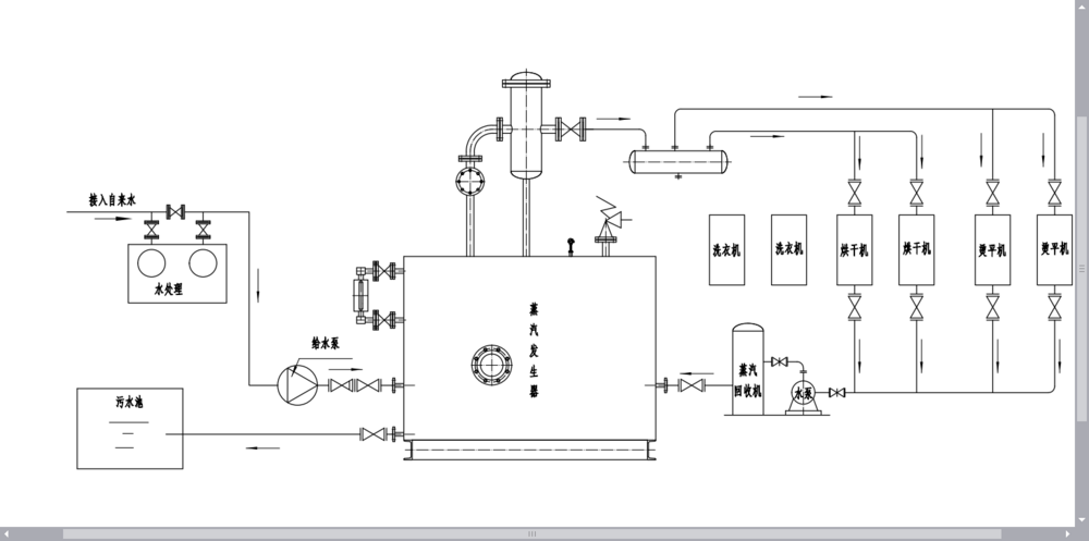
应用领域
洗涤熨烫行业:干洗机、烘干机、水洗机、脱水机、熨平机、熨斗、等设备配套使用
包装机械行业:贴标机、套标机配套使用
生物化工行业:发酵罐、反应釜、夹层锅、搅拌机、乳化机等设备的配套使用
食品机械行业:豆腐机、蒸箱、灭菌罐、包装机、涂料设备、分口机、等设备的配套使用
其他行业:(油田、汽车)蒸汽清洗行业、(宾馆、宿舍、学校、搅拌站)热水供应、(桥梁、铁路)混凝土养护、(休闲美容会所)桑拿洗浴、热交换设备等















