一、大口径电动蝶阀 概述
大口径电动蝶阀是由电动执行器与三偏心弹性蝶阀组成,内置私服放大器,可以实现阀门的模拟量信号控制。蝶阀采用一个“U”型不锈钢密封圈,该精密的弹性密封圈与经过抛光的蝶板三维偏心接触。解决了传统偏心蝶阀在启闭0°~10°瞬间密封面仍处于滑动接触摩擦的弊病,实现蝶板在开启瞬间密封面即分离,关闭接触即密封的效果,达到延长使用寿命、密封性能最佳的目的。电动法兰调节蝶阀被广泛地应用到介质温度≤550℃的冶金、电力、石油、化工、空气、煤气、可燃气体以及给排水等腐蚀性介质的管道上,是调节流量和截断流体的最佳装置。
二、大口径电动蝶阀 特点
1、该蝶阀结构简单、紧凑、重量轻、易于安装和拆卸、维修方便;
2、本蝶阀采用不锈钢“U”型密封圈,具有一定的弹性无论在高温、低温的情况下,它与蝶板均具有优良的密封性;
3、本蝶阀的三维偏心距,经过严格的计算,“U”型密封圈与蝶板几乎无磨擦,使用寿命长,并具有越关越紧的功能;
4、蝶板密封面采用堆焊钴基硬质合金,密封面耐磨损,使用寿命长;
5、本蝶阀结构独特,“开关”仅需转动阀杆90°即可完成。操作灵活、方便、省力、不受介质压力的高低影响,密封性能可靠;
6、耐高温、耐低温、耐腐蚀性。
三、大口径电动蝶阀 结构特点
①体积小、重量轻、操作轻巧、便于安装、维修。
②密封性能优良可靠、零泄漏,使用寿命长。
③流量特性趋于直线,调节性能最优。
④结构简单,开关迅速,90°旋转启闭。
⑤可代替闸阀、截止阀、旋塞阀、胶管阀及隔膜阀等各种阀的使用。
⑥可根据用户要求配置气动、电动装置,满足遥控和程控的需要。
⑦更换零件衬里材质可适用于各种介质。
四、大口径电动蝶阀 执行机构
1.功能强劲:智能型、调节型、开关式。
2.体积小巧:体积仅相当于同类产品的35%左右。
3.使用方便:采用单相电源,接线简单;采用独创的球型凸出结构,使观察更方便;免加油免点检、防水防锈、任意角度安装。
4.保护装置有双重限位、过热保护、过载保护。全行程时间15秒、30秒、45秒、60秒。及带手动功能。
5.智能数控:内置模块采用先进计算机单片及智能控制软件直接接收计算机或工业仪表等输出的标准信号(4-20mA DC /1-5VDC)实现阀门开度的智能控制和精确定位。
也可选用3810系列或JS系列电子式角行程执行机构.亦可选用SHJS系列或JSQ系列。≥DN200口径阀门一般采用380VAC电动执行器。\
五、大口径电动蝶阀 主要技术参数
| 公称通径 |
DN(mm) |
50~1200 |
||||
| 公称压力 |
PN(MPa) |
0.6 |
1.0 |
1.6 |
2.5 |
4.0 |
| 试验压力 |
强度试验 |
0.9 |
1.5 |
2.4 |
3.75 |
6.0 |
| 密封试验 |
0.66 |
1.1 |
1.76 |
2.75 |
4.4 |
|
| 气密封试验 |
0.6 |
0.6 |
0.6 |
0.6 |
0.6 |
|
| 适用介质 |
水、蒸气、油品、酸类腐蚀性等。 |
|||||
| 适用温度 |
碳钢 :-29℃~600℃ 不锈钢-40℃~600℃ |
|||||
六、大口径电动蝶阀主要零件材料及接线说明
| 零件名称 |
材料 |
| 阀体 |
铸铁、铸钢、不锈钢、铬钼钢、合金钢 |
| 蝶板 |
铸钢、合金钢(镀硬铬)、不锈钢、铬钼钢 |
| 密封圈 |
不锈钢、聚内脂、抗磨材料 |
| 阀杆 |
2Cr13、1Cr13不锈钢、铬钼钢 |
| 填料 |
柔性石墨 |
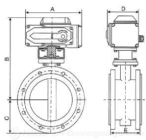
七、电动弹性金属密封蝶阀 主要外形尺寸
| 公称通经(DN) |
主要尺寸 |
法兰尺寸和螺栓规格 |
||||||||||
| 1.0MPa |
1.6MPa |
2.5MPa |
||||||||||
| L |
H1 |
H |
D |
D1 |
z-Фd |
D |
D1 |
z-Фd |
D |
D1 |
z-Фd |
|
| 50 |
108 |
530 |
112 |
165 |
125 |
4-18 |
165 |
125 |
4-18 |
165 |
125 |
4-18 |
| 65 |
112 |
530 |
115 |
185 |
145 |
4-18 |
185 |
145 |
4-18 |
185 |
145 |
8-18 |
| 80 |
114 |
565 |
120 |
200 |
160 |
4-18 |
200 |
160 |
8-18 |
200 |
160 |
8-18 |
| 100 |
127 |
600 |
138 |
220 |
180 |
8-18 |
220 |
180 |
8-18 |
235 |
190 |
8-22 |
| 125 |
140 |
640 |
164 |
250 |
210 |
8-18 |
250 |
210 |
8-18 |
270 |
220 |
8-26 |
| 150 |
140 |
705 |
175 |
285 |
240 |
8-22 |
285 |
240 |
8-22 |
300 |
250 |
8-26 |
| 200 |
152 |
775 |
200 |
340 |
295 |
8-22 |
340 |
295 |
12-22 |
360 |
310 |
12-26 |
| 250 |
165 |
945 |
243 |
395 |
350 |
12-22 |
405 |
355 |
12-26 |
425 |
370 |
12-30 |
| 300 |
178 |
1070 |
250 |
445 |
400 |
12-22 |
460 |
410 |
12-26 |
485 |
430 |
16-30 |
| 350 |
190 |
1140 |
280 |
505 |
460 |
16-22 |
520 |
470 |
12-26 |
555 |
490 |
16-33 |
| 400 |
216 |
1210 |
305 |
565 |
515 |
16-26 |
580 |
525 |
16-26 |
620 |
550 |
16-36 |
| 450 |
222 |
1335 |
350 |
615 |
565 |
20-26 |
640 |
585 |
16-30 |
670 |
600 |
20-36 |
| 500 |
229 |
1415 |
380 |
670 |
620 |
20-26 |
715 |
650 |
20-30 |
730 |
660 |
20-36 |
| 600 |
267 |
1605 |
445 |
780 |
725 |
20-30 |
840 |
770 |
20-33 |
845 |
770 |
20-39 |
| 700 |
292 |
1844 |
480 |
895 |
840 |
24-30 |
910 |
840 |
24-36 |
960 |
875 |
24-42 |
| 800 |
318 |
2040 |
530 |
1015 |
950 |
24-33 |
1025 |
950 |
24-39 |
1085 |
990 |
24-48 |
| 900 |
330 |
2255 |
580 |
1115 |
1050 |
28-33 |
1125 |
1050 |
28-39 |
1185 |
1090 |
28-48 |
| 1000 |
410 |
2380 |
650 |
1230 |
1160 |
28-36 |
1255 |
1170 |
28-42 |
1320 |
1210 |
28-56 |
| 1200 |
470 |
2640 |
760 |
1455 |
1380 |
32-39 |
1485 |
1390 |
32-48 |
1530 |
1420 |
32-56 |
| 1400 |
530 |
2886 |
850 |
1675 |
1590 |
36-42 |
1685 |
1590 |
36-48 |
1755 |
1640 |
36-62 |
| 1600 |
600 |
3156 |
1030 |
1915 |
1820 |
40-48 |
1930 |
1820 |
40-56 |
1975 |
1860 |
40-62 |
| 1800 |
670 |
3421 |
1230 |
2115 |
2020 |
44-48 |
2130 |
2020 |
44-56 |
2195 |
2070 |
44-70 |
| 2000 |
760 |
3685 |
1350 |
2325 |
2230 |
48-48 |
2345 |
2230 |
48-62 |
2425 |
2300 |
48-70 |












