


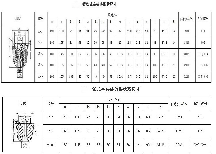
盛钢桶用耐火制品包括盛钢桶衬砖、座砖、袖砖、塞头砖、铸口砖。高温钢水由盛钢桶注入钢锭模内,在此过程中与钢水接触的耐火制品统称铸锭用耐火制品。中国冶标(YB/T5021-1993)规定盛钢桶内铸钢耐火砖包括袖砖、铸口砖、塞头砖、座砖。材质可选用黏土质,高铝质,莫来石质,免烧高铝质、铝碳质(水墨质)等。袖砖是套在金属塞棒芯竿外面的中空耐火砖,保护金属芯竿免受高温钢水的直接侵蚀和作用,确保金属塞棒的钢性以控制注流。每个袖砖两端分别有阴阳界面,以确保界面密闭,钢水不会流入。袖砖一般为黏土质。塞头砖是位于塞棒最下方与铸口砖配合接触起到控制注流开关作用的耐火砖,不浇注时它堵住水口保证不漏钢。浇注时提高塞棒,使塞头砖和水口砖产生间隙,钢水从铸口流出。控制塞棒的高低,可调节钢水的流出量。塞头砖可以是黏土质、高铝质、免烧高铝质及铝碳质(石墨质)。铸口砖也叫水口砖,水口砖镶嵌在盛钢桶底部座砖中的耐火制品,钢水流出口。不浇注时水口砖和塞头砖呈线接触,保证不漏钢。水口砖上口是弧面形,便于开启、关闭水口及减小钢水流动的阻力,下段是直线段以稳定注流。其材质与塞头砖相近,可采用黏土质、高铝质、免烧高铝质、铝碳质(石墨质)镁质。浇注沸腾钢及高锰钢时黏土质的水口易被侵蚀,故采用镁质或高铝质水口砖。镁质水口耐侵蚀性强但导热性也强,浇注中易产生结瘤。盛钢桶衬砖是砌筑盛钢桶的耐火制品,根据盛钢桶设计可选用不同类型的衬砖,常用的有万能弓形衬砖、万能直形衬砖、直形衬砖、直形包壁砖、辐射形衬砖、单头斜形衬砖、扇形衬砖等,材质有粘土质、高铝质、莫来石质、免烧高铝质等。



产品包装展示

托盘展示

包膜设备


产品码放

















