
参数表(仅供参考,水泵24V扬程调制范围2~8M,18V扬程范围1.5-6M,12V扬程,范围1.5-5M)型号电压最大负载电流最大扬程开口流量最大功耗 V (dc)AmL/HWDC40D-1250121.15.045013.2DC40D-2480241.18.055026.4选型注意事项选型时务必给出使用环境:例如连续工作时间、水温、介质等,水泵功率超过24W的就不适合长期在60度以上水温连续工作,请务必与专业人员沟通以便选择最合适的水泵!上述电流为水泵的开口电流即当水泵直接放入水中不接任何系统时的电流,也为水泵最大电流,当水泵接上系统之后水泵的工作电流会降低到最大负载电流的70%-85%。水泵的扬程为最大送水高度,即到达最大扬程点的流量为零。水泵的流量为水平流量,即水平抽水的流量。流量-扬程曲线图

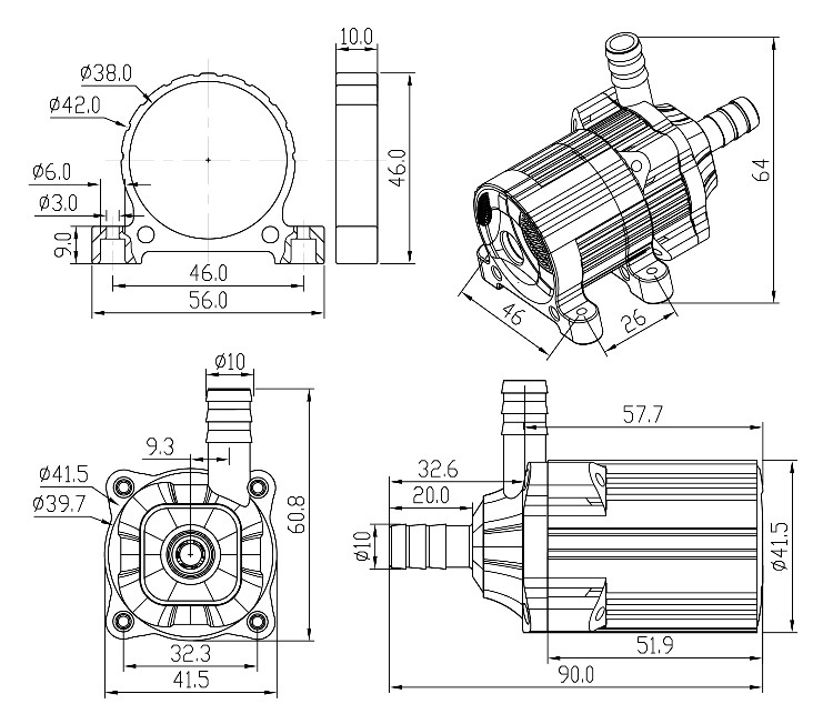
泵体尺寸图

产品细节图

应用范围:电动汽车散热系统,自动化设备水循环,水制冷等电器,饮水机,卫浴产品,碎纸机,无土栽培,水暖床垫,空调抽水,水族鱼缸,桌面工艺品,足浴盆,水暖床垫,热水器,电脑水冷,水冷风扇,医疗器械,制药系统,化工,循环系统,冷却散热系统,制冷系统,水冷空调,水冷风扇,移动洗澡机,太阳能喷泉,太阳能循环系统,家庭增压系统,别墅供水系统,小型灌溉系统,水处理系统,小型供水系统,汽车循环系统,汽车加热系统,机床,家用电器,厨房电器,卫浴产品,热水循环产品检验
产品爆炸图
选型指南
型号电压(DC)电流范围最大扬程最大流量进水口径出水口径调速空转/卡死保护DC30A5~12V0.1~0.35A 3m4L/MIN8mm8mm定做选配DC406~24V0.15~1.2A 8m11L/MIN14mm10mmPWM/0~5V/手动选配DC40A6~24V0.15~1.2A 6m14L/MIN14mm14mmPWM/0~5V/手动选配DC40C6~24V0.15~1.2A 6m15L/MIN4分螺纹4分螺纹PWM/0~5V/手动选配DC40D6~24V0.15~1.2A 8m10L/MIN10mm10mmPWM/0~5V/手动选配DC40F6~24V0.15~1.2A 6m16L/MIN4分螺纹4分螺纹PWM/0~5V/手动选配DC40H6~24V0.15~1.2A 11m7.5L/MIN11mm8mmPWM/0~5V/手动选配DC506~24V0.15~3.8A7m44L/MIN22mm22mmPWM/0~5V/手动选配DC50A6~24V0.15~3.8A 5m60L/MIN27mm27mmPWM/0~5V/手动选配DC50B6~24V0.15~3.8A 13m30L/MIN20mm20mmPWM/0~5V/手动选配DC50C6~24V0.15~3.8A 8m42L/MIN4分螺纹4分螺纹PWM/0~5V/手动选配DC50D6~24V0.15~3.8A 8m42L/MIN20mm20mmPWM/0~5V/手动选配DC50E6~24V0.15~3.8A 15m25L/MIN4分螺纹4分螺纹PWM/0~5V/手动选配DC50F6~24V0.15~3.8A 15m25L/MIN4分螺纹4分螺纹PWM/0~5V/手动选配DC50G6~24V0.15~3.8A8m40L/MIN4分螺纹4分螺纹PWM/0~5V/手动选配DC50K6~24V0.15~3.8A16m23L/MIN14mm14mmPWM/0~5V/手动选配DC50W24V1~3.8A造浪28000L/H潜水58mm变频调速控制选配DC50Q24V1~3.8A 5m5000 L/H1寸螺纹1寸螺纹变频调速控制选配DC60Q24V1~5A5m12000L/H1.2寸螺纹1.2寸螺纹变频调速控制选配备注:1、扬程流量范围内的都可以定制。2、进出水口尺寸,连接方式可开模定制。3、调速方式可以定制,可定制控制系统,也可根据系统定制水泵。4、工作温度常规60度以内,可以定做100度的,详情请查看相关系列具体信息。5、可定做食品级水泵。6、可定做静音水泵。详细型号及参数请查询中科世纪官网:










